Auto CD.info - Электронные каталоги запчастей для любой техники. Документация по ремонту спецтехники, электросхемы, диагностические программы.       MAX      Whatsapp      Telegramm             E-mail
главная | новости | FAQ | заказать | обратная связь
ВХОД для ЗАРЕГИСТРИРОВАННЫХ ПОЛЬЗОВАТЕЛЕЙ
  логин:    пароль:   

КНИГИ ПО РЕМОНТУ       

 глобальный поиск
 Новый пользователь  Забыли пароль?  Отписаться от рассылки
IN ENGLISH
Все CD
Оформить заказ в магазине запчастей Auto СД
 Каталог марок
 Легковые авто
 Грузовые авто
 Ремонт авто
 Ремонт грузов.
 ОЕМ легковые
 OEM грузовые
 Погрузчики
 Погруз. ремонт
 С/х техника
 Ремонт с/х тех
 Строительная
 Ремонт стр. тех
 Краны
 Краны ремонт
 Моторы
 Ремонт мотор.
 Мото техника
 Ремонт Мото
 Катера, моторы
 Ремонт л.м.
 Диагностика
 VMware сборки
 Европа
 Азия
 Америка
 Япония
 Китай
Прайсы на авто запчасти
Ключи активации
ИСКАТЬ ВЕЗДЕ
 для печати
 Карта сайта
 Авто ссылки

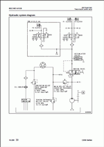
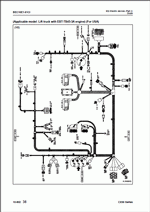
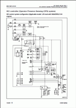
Komatsu ForkLift Truck CX-50 :

Заводская инструкции по ремонту Komatsu Forklift Trucks -

For general
FG40Z-10 M251-133001 and up
FG35/40/45/50A-10 M253-133001 and up
FD40Z-10 M250-133001 and up
FD35/40/45/50A-10 M252-133001 and up
FD40ZY-10 M250-133001 and up
FD35Y/40Y/45Y/50AY-10 M252-133001 and up

For USA
FG40ZU-10 M251-133001 and up
FG40U/45U/50AU-10 M253-133001 and up
FD40ZU-10 M250-133001 and up
FD40U/45U/50AU-10 M252-133001 and up


 

 
50 USD

ДОБАВИТЬ В КОРЗИНУ
ВЕРНУТЬСЯ

Скриншоты
(Нажмите на маленькую картинку, большая откроется в новом окне)

Нажмите для просмотра, большая картинка откроется в новом окне. Нажмите для просмотра, большая картинка откроется в новом окне. Нажмите для просмотра, большая картинка откроется в новом окне. Нажмите для просмотра, большая картинка откроется в новом окне.

Замеченные конфликты в электронном каталоге Komatsu ForkLift Truck CX-50:

Конфликтов не замечено

 Для какого рынка каталог:   Все регионы
 Доступные в программе языки:  Английский
 Поддерживаемые операционные системы:  Vista, Win7 x32, Win98, Windows 8/10 x64, WinJapan, WinNT, WinXP
 Количество CD/DVD:  1 CD
 Дата обновления данных:  11/2008
 ЦЕНА:  50 USD



Возможно Вас так же заинтересуют эти авто каталоги: ( всего 12 программ )
ПОКАЗАТЬ ВСЕ ПОХОЖИЕ ПРОГРАММЫ

1

Komatsu ForkLift Truck FD150/180/200Z-6, FD200/250Z-6
документация по ремонту погрузчиков Комацу FD150/180/200Z-6, FD200/250Z-6
Информация по ремонту

2

Komatsu ForkLift Truck FG50/60/70-7, FD50/60/70/80-8
документация по ремонту погрузчиков Комацу FG50/60/70-7, FD50/60/70/80-8
Информация по ремонту

3

Komatsu ForkLift Truck FG20/25/30-14, FG20H/25H/30H-14, FD20/25/30-14, FD20H/25H/30H-14, FD20J/25J/30J-14
документация по ремонту погрузчиков Комацу FG20/25/30-14, FG20H/25H/30H-14, FD20/25/30-14, FD20H/25H/30H-14, FD20J/25J/30J-14
Информация по ремонту

4

Komatsu ForkLift Truck F4EC.F5EC.F6EC-1
документация по ремонту погрузчиков Комацу F4EC.F5EC.F6EC-1
Информация по ремонту

5

Komatsu ForkLift Truck AR50 SERIES - FB10RL(F)/13RL(F)/15RL(F)/18RL(F)-14, FB10RW/13RW/15RW-14
документация по ремонту погрузчиков Комацу AR50 SERIES - FB10RL(F)/13RL(F)/15RL(F)/18RL(F)-14, FB10RW/13RW/15RW-14
Информация по ремонту

Дизайн сайта креатив-бюро "DoNe" Вопросы и пожелания высылайте на адрес: hodgjunior@gmail.com