Auto CD.info - Электронные каталоги запчастей для любой техники. Документация по ремонту спецтехники, электросхемы, диагностические программы.       MAX      Whatsapp      Telegramm             E-mail
главная | новости | FAQ | заказать | обратная связь
ВХОД для ЗАРЕГИСТРИРОВАННЫХ ПОЛЬЗОВАТЕЛЕЙ
  логин:    пароль:   

КНИГИ ПО РЕМОНТУ       

 глобальный поиск
 Новый пользователь  Забыли пароль?  Отписаться от рассылки
IN ENGLISH
Все CD
Оформить заказ в магазине запчастей Auto СД
 Каталог марок
 Легковые авто
 Грузовые авто
 Ремонт авто
 Ремонт грузов.
 ОЕМ легковые
 OEM грузовые
 Погрузчики
 Погруз. ремонт
 С/х техника
 Ремонт с/х тех
 Строительная
 Ремонт стр. тех
 Краны
 Краны ремонт
 Моторы
 Ремонт мотор.
 Мото техника
 Ремонт Мото
 Катера, моторы
 Ремонт л.м.
 Диагностика
 VMware сборки
 Европа
 Азия
 Америка
 Япония
 Китай
Прайсы на авто запчасти
Ключи активации
ИСКАТЬ ВЕЗДЕ
 для печати
 Карта сайта
 Авто ссылки

Yanmar Crawler Backhoes Spare Parts Catalogs PDF :

Сборник электронных каталогов для подбора запчастей на мини экскаваторов Янмар - Yanmar Crawler Backhoes, PDF:

B03-3_europa
B03
B05
B08-3_USA_Australien
B08
B12-17alt
B12-2B
B12-3_europa
B12-B17
B12-B17_UK_Australien
B12_17_-2-JP-AS-EX
B15-3_B17-3_B15-3ex_B18ex
B15_Ammann
B17-2_Ammann
B17_2
B1U-1
B2-5
B22-2
B22-2A
B22-2B
B22-2B_Panama
B22-2_Ammann
B22-2_europa
B22_europa
B22_UK_Australien
B24V-1_Ammann
B25_-P-C
B27-2
B27-2A
B27-2A_Ammann
B27-2B
B27-2_europa
B27_europa
B2U-1
B3-3_A-P-C
B30V-1_Ammann
B32-1
B37-2
B37-2A
B37-2A_Ammann
B37-2B
B37V-1_Ammann
B37_-P-PR-C-CR
B37_europa
B37_UK_Australien
B3_-1-2
B4U-1
B50-1_europa
B50-2
B50-2A
B50-2B
B50-2B_europa
B50-2_europa
B50W-1
B50_-PR-CR
B50_Austalien_andere
B55W-1
B55W
B5_-1-2
B6-3P-C
B6
B6U-1
B7-5A_europa
B7
B7_Summe_B7-5_europa
DS68Rammax_Yanmar Motor
GA120RDZB
Kabine_vio50_1
SV08
VIO10-2
VIO10
Vio15-2
VIO15
VIO20-1
VIO20-2
VIO20-3
VIO20
VIO27-2_Japan
VIO30-1
VIO30-2
VIO30
VIO35-2
VIO40-1
VIO40-2
VIO40-TW
VIO40
VIO45
VIO50-1
VIO50-2
VIO50
VIO50_tim_Kabine
VIO55
VIO70-2
vio70
VIO75
YB10-2_B3761
YB101_B10
YB10_Kabine
YB121U_YB151U_-2
YB201
YB201U
YB201_U
YB221UZ_B22_-1
YB221U_YB221UZ_B22_1
YB271
YB271_B27_-1
YB30-1-2
YB301_-1-2_YB351
YB40-2
YB401W-2
YB401W_-2
YB401_-2
YB451-2_YB501-2
YB45_-2_YB501_-2


 

 
75 USD

ДОБАВИТЬ В КОРЗИНУ
ВЕРНУТЬСЯ

Скриншоты
(Нажмите на маленькую картинку, большая откроется в новом окне)

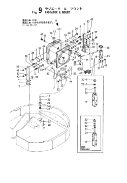
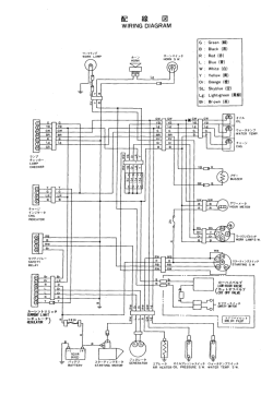
Нажмите для просмотра, большая картинка откроется в новом окне. Нажмите для просмотра, большая картинка откроется в новом окне. Нажмите для просмотра, большая картинка откроется в новом окне. Нажмите для просмотра, большая картинка откроется в новом окне.

Замеченные конфликты в электронном каталоге Yanmar Crawler Backhoes Spare Parts Catalogs PDF:

Конфликтов не замечено

 Для какого рынка каталог:   Все регионы
 Доступные в программе языки:  Английский, Японский
 Поддерживаемые операционные системы:  Vista, Win7 x32, Win98, Windows 8/10 x64, WinJapan, WinNT, WinXP
 Количество CD/DVD:  1 DVD
 Дата обновления данных:  2/2011
 ЦЕНА:  75 USD



Возможно Вас так же заинтересуют эти авто каталоги: ( всего 11 программ )
ПОКАЗАТЬ ВСЕ ПОХОЖИЕ ПРОГРАММЫ

1

Yanmar Industrial Diesel Engine TNV Series - 2TNV70, 3TNV70, 3TNV76
полное руководство по ремонту двигателей Янмар - Yanmar Industrial Diesel Engine 2TNV70, 3TNV70, 3TNV76, PDF
Информация по ремонту

2

Yanmar Crawler Carrier C50R-3(R)
документация по ремонту гусеничный перевозчик Янмар C50R-3(R), электрические схемы, схемы гидравлики
Информация по ремонту

3

Yanmar Excavator ViO30-2, ViO35-2 (EP)
книга по ремонту экскаватора Янмар ViO30-2, ViO35-2 (EP), электрические схемы, схемы гидравлики и др.
Информация по ремонту

4

Yanmar Diesel Engine 3TNM68, 3TNM72
документация по ремонту для дизельного двигателя Yanmar 3TNM68, 3TNM72, PDF
Информация по ремонту

5

Yanmar Diesel Engine Spare Parts Catalogs PDF
Электронный каталог запчастей дизельных двигателей Yanmar, PDF
Каталог запчастей

Дизайн сайта креатив-бюро "DoNe" Вопросы и пожелания высылайте на адрес: hodgjunior@gmail.com